产品分类
    首页-产品展厅-SCX磁性过滤器  
SCX磁性过滤器
产品名称:

SCX磁性过滤器

产品型号:SCX
点击这里给我发消息
咨询电话:021-34688459 黄先生
传真:021-34688459
 相关产品
 SBL保温夹套蓝式过滤器
 GH41H-150LB美标Y型过滤器
 SCX磁性过滤器
 STG双桶切换过滤器
 SCX磁性过滤器详细介绍
SCX磁性过滤器
 
用途:
管道式磁性过滤器主要用于清除液体浆料中的铁磁性杂质,广泛适用于化工、制药、颜料、染料、食品、冶金、陶瓷等行业,本产品具有磁力强,除铁效果好,清理铁屑方便等优点。磁性过滤器主要用于黏度小的液体的除铁,可以除去0.5~60μm肉眼不能看到的微小颗粒。适于除去食品(糖浆、果酱、果汁、食用油等);化学药品(油漆、润滑油、切削油、染料、工业糖浆、纸浆、盐水等)高浓度液体中混入的铁粉及其他磁性杂质。

 其磁源采用高性能的钕铁硼永磁材料制成,磁力比同类常规磁性材料(铁氧体或铝镍钴永磁材料)的磁力高5-20倍。本司生产的产品磁力高达12000GS,使用寿命在10年以上。

 棒磁钢的表面光洁度可以达到400目,适于食品级的要求。

 本产品的设计来源于国外先进的技术,而且在国内外得到广泛的应用。
工作原理:
在液体浆料输送过程中,液浆经过过滤器时,受强力磁棒的磁性作用,液浆中的铁性杂质被吸附在磁棒套管上,彻底清除液浆中的铁性杂质,保证下道工序能有效控制铁杂质含量。

安装使用:
把磁性过滤器的接口法兰与液浆输出管路相连,使液浆从过滤器中均匀流过,经过一段时间试用后确定清理周期。
                       
        
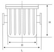
         规格与型号

DN
D
L
H
50
159
460
515
80
273
574
658
100
377
678
784
150
500
916
958
200
700
1120
1075
250
800
1220
1150
300
1000
1424
1352

友情链接:
电话:021-34688459传真:021-34688459手机:13402038748 地址: 上海市闵行区银都路17号
版权所有: 上海奥玛阀门制造有限公司 备案/许可证编号:沪ICP备10214231号